สวิตช์ขนาดเล็กที่ จำกัด แรงดันด้วยตนเองเป็นส่วนประกอบควบคุมอัตโนมัติที่เกิดจากการเคลื่อนไหวเชิงกล ฟังก์ชั่นหลักของมันคือการตรวจจับการกระจัดหรือจังหวะของวัตถุเพื่อให้ได้การเปิดและปิดวงจรการเริ่มต้นและหยุดอุปกรณ์หรือการป้องกันขีด จำกัด มันเป็น 'Safety Sentinel' ที่ขาดไม่ได้และ 'Action Commander' ในระบบอัตโนมัติอุตสาหกรรมและอุปกรณ์ไฟฟ้า
สวิตช์ คำแนะนำการโผงผาง
สวิตช์การเดินทาง (หรือที่เรียกว่าสวิตช์ขีด จำกัด ) เป็นส่วนประกอบควบคุมอัตโนมัติที่เกิดจากการเคลื่อนไหวเชิงกล ฟังก์ชั่นหลักของมันคือการตรวจจับการกระจัดหรือจังหวะของวัตถุเพื่อให้ได้การเปิดและปิดวงจรการเริ่มต้นและหยุดอุปกรณ์หรือการป้องกันขีด จำกัด มันเป็น 'Safety Sentinel' ที่ขาดไม่ได้และ 'Action Commander' ในระบบอัตโนมัติอุตสาหกรรมและอุปกรณ์ไฟฟ้า
สวิตช์ แอปพลิเคชันความไม่พอใจ
กลไกการยกแพลตฟอร์มการตัดของ Harvester Combine นั้นมีสวิตช์การเดินทางที่ตั้งค่า "ความสูงขั้นต่ำในการทำงาน" และ "ความสูงในการขนส่ง" ของแพลตฟอร์มการตัด ในระหว่างการเก็บเกี่ยวหากแพลตฟอร์มตัดลงต่ำเกินไป (ใกล้กับพื้นดินอาจขูดดิน) สวิตช์จะถูกกระตุ้นให้ควบคุมระบบไฮดรอลิกเพื่อยกแพลตฟอร์มตัด ในระหว่างการขนส่งเมื่อแพลตฟอร์มการตัดเพิ่มขึ้นถึงตำแหน่งสูงสุดสวิตช์จะถูกกระตุ้นให้ล็อคความสูงของแพลตฟอร์มการตัดป้องกันการสั่นระหว่างการขับขี่ในกล่องเมล็ดของ Seeder สวิตช์การเดินทางจะตรวจจับระดับเมล็ด เมื่อเมล็ดกำลังจะหมดสวิตช์จะกระตุ้นอุปกรณ์เตือนภัยเพื่อเตือนผู้ปฏิบัติงานเพื่อเพิ่มเมล็ดเพื่อป้องกันการหว่านที่ไม่ได้รับ
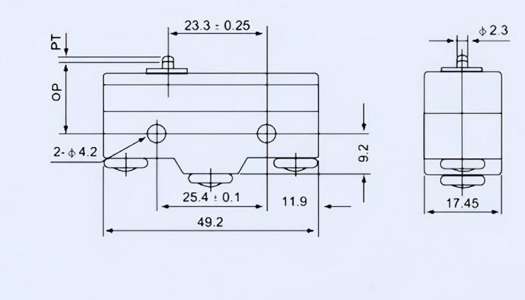
สวิตช์ รายละเอียด
