ปุ่มประเภทคอลัมน์ปลั๊กไมโครสวิตช์ในชิ้นส่วนอัตโนมัติมีช่วงเวลาการติดต่อเล็ก ๆ และกลไกการดำเนินการอย่างรวดเร็วและกลไกการติดต่อสำหรับการสลับการกระทำด้วยจังหวะและแรงที่ระบุถูกปกคลุมด้วยเปลือกและมีการส่งผ่านด้านนอกและรูปร่างมีขนาดเล็ก
ผลิตภัณฑ์ คำแนะนำการโผงผาง
สวิตช์ไมโครแบบพุชไปสู่การกดเป็นส่วนประกอบอิเล็กทรอนิกส์ทั่วไปที่ใช้ในการควบคุมสถานะเปิดและปิดของวงจร มันมักจะประกอบด้วยปุ่มและสวิตช์ที่เปลี่ยนสถานะเมื่อกดปุ่ม
สวิตช์ปุ่มกดสามารถใช้เอฟเฟกต์กะพริบเมื่อกดปุ่มปุ่มจะกระพริบเพื่อดึงดูดความสนใจของผู้ใช้
ผลิตภัณฑ์ แอปพลิเคชันและข้อกำหนด
ปุ่มประเภทคอลัมน์ปลั๊กไมโครสวิตช์สามารถใช้ในการควบคุมแสงเมื่อกดปุ่มไฟจะเปิดหรือปิด นอกจากนี้ยังสามารถใช้ในการควบคุมสวิตช์ของอุปกรณ์ไฟฟ้าเครื่องปรับอากาศ ฯลฯ ในสนามอุตสาหกรรมสวิตช์ปุ่มกดใช้กันอย่างแพร่หลายเพื่อควบคุมการเริ่มต้นและหยุดอุปกรณ์เครื่องจักรกลไม่ว่าจะเป็นอุปกรณ์ในครัวเรือนอุตสาหกรรมยานยนต์หรืออุปกรณ์อิเล็กทรอนิกส์
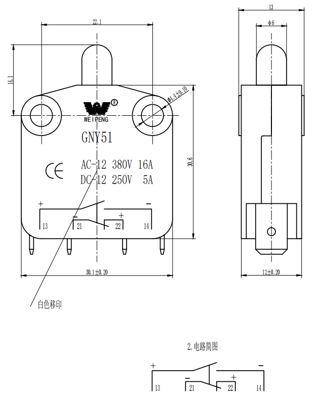
| เปลี่ยนลักษณะทางเทคนิค: | |||
| รายการ | พารามิเตอร์ทางเทคนิค | ค่า | |
| 1 | การจัดอันดับไฟฟ้า | 16A 250VAC | |
| 2 | การต่อต้านการติดต่อ | ≤50mΩค่าเริ่มต้น | |
| 3 | ความต้านทานฉนวน | ≥100mΩ (500VDC) | |
| 4 |
อิเล็กทริก แรงดันไฟฟ้า |
ระหว่าง ขั้วที่ไม่เชื่อมต่อ |
500V/0.5MA/60S |
| ระหว่างเทอร์มินัล และกรอบโลหะ |
1500V/0.5mA/60s | ||
| 5 | ชีวิตไฟฟ้า | ≥50000รอบ | |
| 6 | ชีวิตเชิงกล | ≥100000รอบ | |
| 7 | อุณหภูมิการทำงาน | -25 ~ 125 ℃ | |
| 8 | ความถี่ในการใช้งาน | ไฟฟ้า: 15 รอบ เครื่องจักรกล: 60 รอบ |
|
| 9 | หลักฐานการสั่นสะเทือน | ความถี่การสั่นสะเทือน: 10 ~ 55Hz; แอมพลิจูด: 1.5 มม.; สามทิศทาง: 1h |
|
| 10 | ความสามารถในการประสาน: มากกว่า 80% ของส่วนที่แช่อยู่ จะถูกปกคลุมด้วยการประสาน |
อุณหภูมิบัดกรี: 235 ± 5 ℃ เวลาดื่มด่ำ: 2 ~ 3s |
|
| 11 | ความต้านทานความร้อนประสาน | การบัดกรี: 260 ± 5 ℃ 5 ± 1s การบัดกรีด้วยตนเอง: 300 ± 5 ℃ 2 ~ 3s |
|
| 12 | การอนุมัติความปลอดภัย | ul、 csa、 tuv、 cqc、 ce | |
| 13 | เงื่อนไขการทดสอบ | อุณหภูมิแวดล้อม: 20 ± 5 ℃ ความชื้นสัมพัทธ์: 65 ± 5%RH ความดันอากาศ: 86 ~ 106kpa |
|
ผลิตภัณฑ์ รายละเอียด


