Plastic Magnetic Micro Switch เป็นอุปกรณ์สวิตซ์ควบคุมการเปิด-ปิดวงจรผ่านสัญญาณสนามแม่เหล็ก คุณลักษณะหลักของมันคือการทำงานแบบไม่สัมผัส จึงมีข้อดีคือการตอบสนองที่รวดเร็ว อายุการใช้งานยาวนาน และความน่าเชื่อถือสูง และมีการใช้กันอย่างแพร่หลายในระบบอัตโนมัติทางอุตสาหกรรม ความปลอดภัย ยานยนต์ และบ้านอัจฉริยะ
บทนำไมโครสวิตช์
สวิตช์แม่เหล็กเป็นอุปกรณ์สวิตช์ที่ควบคุมการเปิด-ปิดของวงจรผ่านสัญญาณสนามแม่เหล็ก คุณลักษณะหลักของมันคือการทำงานแบบไม่สัมผัส จึงมีข้อดีคือการตอบสนองที่รวดเร็ว อายุการใช้งานยาวนาน และความน่าเชื่อถือสูง และมีการใช้กันอย่างแพร่หลายในระบบอัตโนมัติทางอุตสาหกรรม ความปลอดภัย ยานยนต์ และบ้านอัจฉริยะ
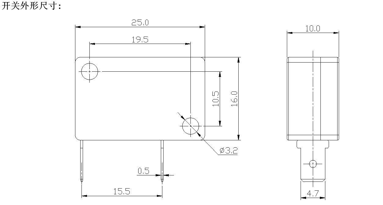
พารามิเตอร์ไมโครสวิตช์ (ข้อมูลจำเพาะ)
| สลับลักษณะทางเทคนิค: | |||
| รายการ | พารามิเตอร์ทางเทคนิค | ค่า | |
| 1 | พิกัดไฟฟ้า | 5(2)ก/10A/16(3)ก/21(8)ก 250VAC | |
| 2 | ต้านทานการติดต่อ | ≤30mΩค่าเริ่มต้น | |
| 3 | ความต้านทานของฉนวน | ≥100MΩ (500VDC) | |
| 4 |
อิเล็กทริก แรงดันไฟฟ้า |
ระหว่าง ขั้วต่อที่ไม่เชื่อมต่อ |
1000V/0.5mA/60S |
|
ระหว่างอาคารผู้โดยสาร และโครงโลหะ |
3000V/0.5mA/60S | ||
| 5 | ชีวิตไฟฟ้า | ≥50,000 รอบ | |
| 6 | ชีวิตเครื่องกล | ≥1000000รอบ | |
| 7 | อุณหภูมิในการทำงาน | -25~125℃ | |
| 8 | ความถี่ในการทำงาน |
ไฟฟ้า :15 รอบ เครื่องกล: 60 รอบ |
|
| 9 | หลักฐานการสั่นสะเทือน |
ความถี่ในการสั่นสะเทือน : 10~55HZ; ความกว้าง: 1.5 มม.; สามทิศทาง :1H |
|
| 10 |
ความสามารถในการบัดกรี: ส่วนที่แช่ไว้มากกว่า 80% จะต้องหุ้มด้วยโลหะบัดกรี |
อุณหภูมิการบัดกรี: 235 ± 5 ℃ เวลาในการแช่: 2 ~ 3S |
|
| 11 | บัดกรีต้านทานความร้อน |
การบัดกรีแบบจุ่ม: 260 ± 5 ℃ 5 ± 1 S การบัดกรีด้วยตนเอง: 300 ± 5 ℃ 2 ~ 3S |
|
| 12 | การอนุมัติด้านความปลอดภัย | UL、CSA、VDE、ENEC、TUV、CE、KC、CQC | |
| 13 | เงื่อนไขการทดสอบ |
อุณหภูมิแวดล้อม: 20 ± 5 ℃ ความชื้นสัมพัทธ์: 65 ± 5% RH ความดันอากาศ :86~106KPa |
|
คุณสมบัติและการใช้งานไมโครสวิตช์
รายละเอียดไมโครสวิตช์
