เนื่องจากไมโครสวิตช์หลักที่พัฒนาโดย Yueqing Tongda สำหรับสถานการณ์การควบคุมความแม่นยำทั่วไป ซีรีส์ไมโครสวิตช์ปุ่มเทอร์มินัล PCB จึงอยู่ในตำแหน่ง "การออกแบบที่กะทัดรัดและการเรียกใช้งานที่รวดเร็วและแม่นยำ" ด้วยประสบการณ์ 38 ปีในการผลิตไมโครสวิตช์ บริษัทผสมผสานการตอบสนองที่ละเอียดอ่อน อายุการใช้งานยาวนาน และความสามารถในการปรับเปลี่ยนได้กว้าง ทำให้เป็นส่วนประกอบสำคัญสำหรับการควบคุมวงจรในอุปกรณ์อิเล็กทรอนิกส์สำหรับผู้บริโภค การควบคุมทางอุตสาหกรรม อุปกรณ์ในบ้านอัจฉริยะ และอื่นๆ อีกมากมาย ให้การตรวจจับการเดินทางที่เชื่อถือได้และโซลูชันการเปิด/ปิดการทำงานสำหรับอุปกรณ์
บทนำไมโครสวิตช์
เนื่องจากไมโครสวิตช์หลักที่พัฒนาโดย Yueqing Tongda สำหรับสถานการณ์การควบคุมความแม่นยำทั่วไป ซีรีส์ HK-20 จึงมี 'การออกแบบที่กะทัดรัดและการเรียกใช้งานที่รวดเร็วและแม่นยำ' ด้วยประสบการณ์ 38 ปีในการผลิตไมโครสวิตช์ บริษัทผสมผสานการตอบสนองที่ละเอียดอ่อน อายุการใช้งานยาวนาน และความสามารถในการปรับเปลี่ยนได้กว้าง ทำให้เป็นส่วนประกอบสำคัญสำหรับการควบคุมวงจรในอุปกรณ์อิเล็กทรอนิกส์สำหรับผู้บริโภค การควบคุมทางอุตสาหกรรม อุปกรณ์ในบ้านอัจฉริยะ และอื่นๆ อีกมากมาย ให้การตรวจจับการเดินทางที่เชื่อถือได้และโซลูชันการเปิด/ปิดการทำงานสำหรับอุปกรณ์
การใช้กลไกทริกเกอร์ด่วนแบบ snap-action ที่ได้รับสิทธิบัตร เวลาตอบสนองของทริกเกอร์คือ ≤8ms ซึ่งปรับปรุงประสิทธิภาพขึ้น 25% เมื่อเทียบกับไมโครสวิตช์แบบเดิม การเคลื่อนที่ของไกปืนได้รับการควบคุมอย่างแม่นยำระหว่าง 0.3-1.0 มม. โดยมีช่วงแรงในการทำงาน 1.5-4N การตอบรับการกดมีความชัดเจนและคมชัด ไม่ติดขัดหรือเล่นฟรี ช่วยให้สามารถควบคุม 'การสัมผัสเบา ๆ เพื่อเชื่อมต่อ ปล่อยเพื่อแตกหัก' ได้อย่างแม่นยำ เหมาะอย่างยิ่งสำหรับสถานการณ์ที่ต้องการความไวของทริกเกอร์สูง หน้าสัมผัสทำจากโลหะผสมเงิน-ดีบุกที่มีความบริสุทธิ์สูงและผ่านกระบวนการเชื่อมแบบจุดที่แม่นยำ โดยมีความต้านทานหน้าสัมผัสเริ่มต้นที่ ≤30mΩ โหลดพิกัดรองรับ 1A/250V AC และ 3A/125V AC ช่วยป้องกันการสัมผัสความร้อนหรือการเผาไหม้เมื่อกระแสไฟฟ้าไหลผ่านได้อย่างมีประสิทธิภาพ
ปรับให้เข้ากับปุ่มฟังก์ชั่นและการตรวจจับการเดินทางของเครื่องพิมพ์พกพา ชุดหูฟัง Bluetooth และอุปกรณ์สวมใส่อัจฉริยะ ขนาดที่เล็กลงตัวกับการออกแบบอุปกรณ์ขนาดกะทัดรัดอย่างสมบูรณ์แบบ และการเปิดใช้งานที่ละเอียดอ่อนจะช่วยเพิ่มประสบการณ์การใช้งานของผู้ใช้ หลังจากนำไปใช้โดยแบรนด์เครื่องใช้ไฟฟ้าชื่อดัง อัตราการซ่อมแซมปุ่มที่ล้มเหลวของผลิตภัณฑ์ลดลง 60%
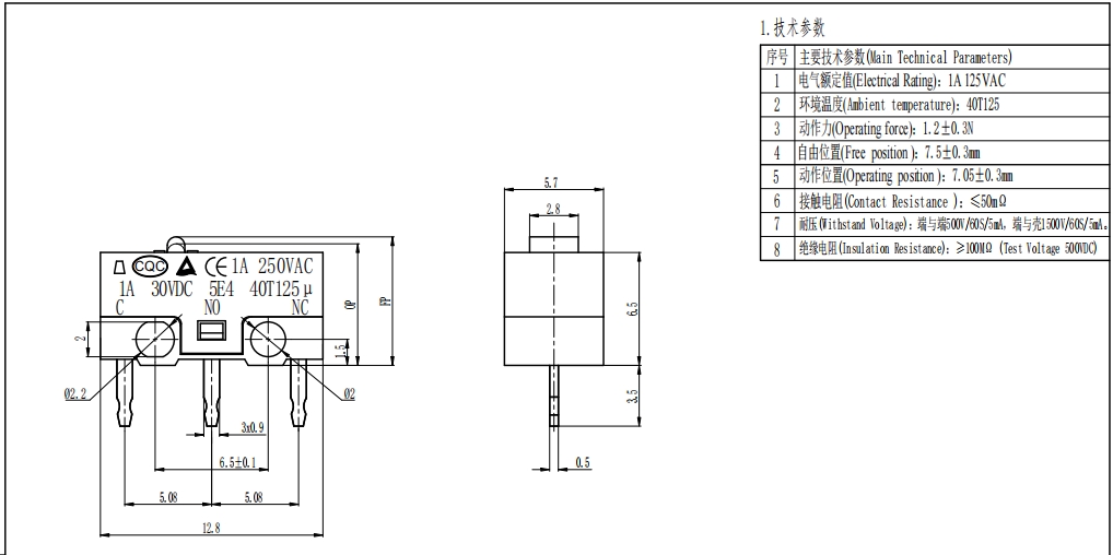
พารามิเตอร์ไมโครสวิตช์ (ข้อมูลจำเพาะ)
| รายการ | พารามิเตอร์ทางเทคนิคหลัก |
| 1 | ระดับไฟฟ้า :1A/3A 250VAC |
| 2 | อายุการใช้งานทางไฟฟ้า : Min.10,000 รอบ |
| 3 | ความต้านทานการติดต่อ :<50mΩ |
| 4 | แรงปฏิบัติการ:70±20gf |
| 5 | ตำแหน่งว่าง: 7.3 ± 0.2 มม |
| 6 | ตำแหน่งการทำงาน: 7.0 ± 0.2 มม |
| 7 | อุณหภูมิแวดล้อม: T85° |
| 8 | ทนต่อแรงดันไฟฟ้า: ระหว่างเทอร์มินัลและเทอร์มินัล 500V/5S/5mA; |
| ระหว่างขั้วต่อและเคส 1500/5S/5mA | |
| 9 | ความต้านทานของฉนวน:> 100MΩ แรงดันทดสอบ 500VDC |
| 10 | ดัชนีการติดตามการพิสูจน์ PTI: 175V |
รายละเอียดไมโครสวิตช์
