เนื่องจากเป็นโมเดลมาตรฐานของซีรีส์ไมโครสวิตช์ของ Yueqing Tongda Wire Electric Factory สวิตช์ไมโครสวิตช์แบบก้านโยกส่วนประกอบอิเล็กทรอนิกส์แบบเปิดปกติจึงมี "ความไวสูง อายุการใช้งานยาวนานเป็นพิเศษ และความสามารถในการปรับตัวได้หลายสถานการณ์" เป็นข้อได้เปรียบหลัก ด้วยการบูรณาการความเชี่ยวชาญด้านการผลิตสวิตช์ที่สั่งสมมายาวนาน 35 ปีของบริษัท ทำให้สวิตช์กลายเป็นองค์ประกอบควบคุมหลักในเครื่องใช้ไฟฟ้าในครัวเรือน อิเล็กทรอนิกส์ยานยนต์ ระบบอัตโนมัติทางอุตสาหกรรม และสาขาอื่นๆ เนื่องจากมีช่องว่างการสัมผัสน้อยที่สุดและกลไกการทำงานที่รวดเร็ว ประสิทธิภาพและความน่าเชื่อถือได้รับการรับรองโดยองค์กรที่เชื่อถือได้หลายแห่งทั่วโลก เพื่อรักษาตำแหน่งหลักในตลาดเฉพาะกลุ่ม
บทนำไมโครสวิตช์
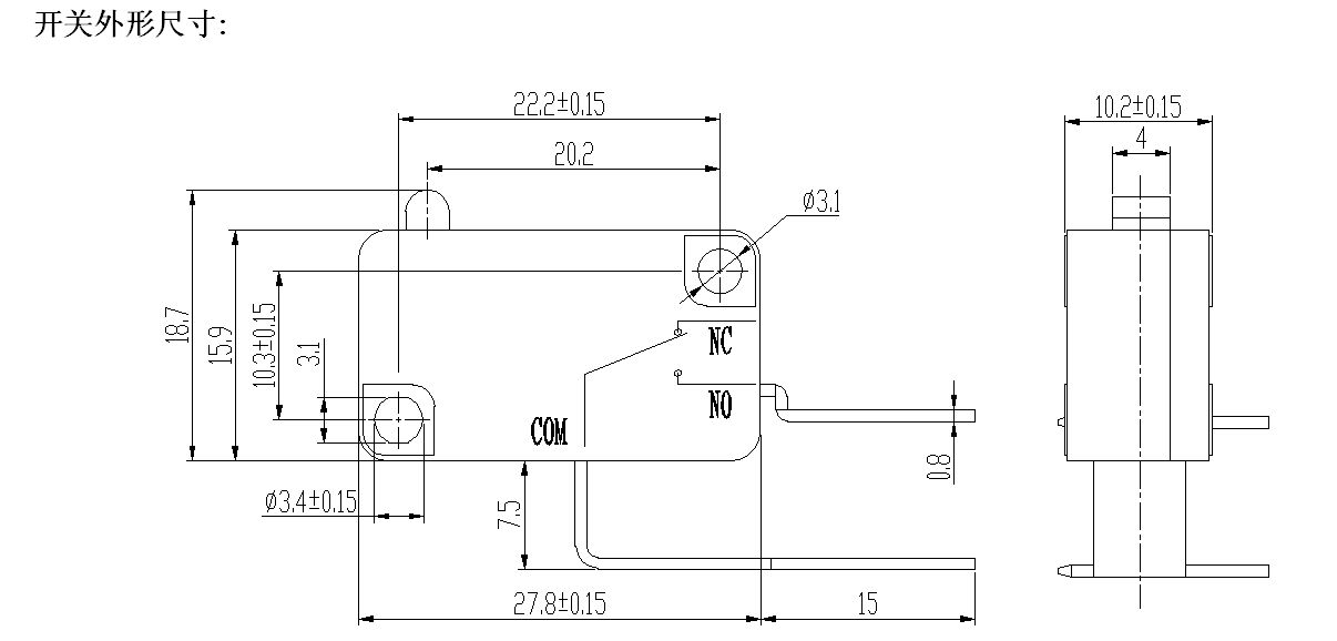
ซีรีส์ HK-14 มีตัวเลือกการปรับแต่งที่มีความยืดหยุ่นสูงเพื่อตอบสนองความต้องการการใช้งานที่แตกต่างกัน แรงในการทำงานสามารถปรับแต่งได้ (น้อยกว่า 5.0 N ในสถานะไม่มีก้านโยก มาตรฐาน 30±15 gf) โดยมีระยะชักในการทำงาน 0.6–1.5 มม. เหมาะสำหรับแรงกระตุ้นและการกระจัดที่แตกต่างกัน รูปแบบคันโยกสามารถปรับแต่งได้ รวมถึงคันโยกแบบตรง คันโยก และคันโยกแบบโรลเลอร์ ซึ่งสามารถเข้ากับโครงสร้างระบบส่งกำลังแบบกลไกต่างๆ แบบฟอร์มการติดต่อครอบคลุม SPDT (1NO 1NC), NO และ NC อย่างเต็มรูปแบบ
พารามิเตอร์ไมโครสวิตช์ (ข้อมูลจำเพาะ)
| สลับลักษณะทางเทคนิค: | |||
| รายการ | พารามิเตอร์ทางเทคนิค | ค่า | |
| 1 | พิกัดไฟฟ้า | 5(2)ก/10A/16(3)ก/21(8)ก 250VAC | |
| 2 | ต้านทานการติดต่อ | ≤30mΩค่าเริ่มต้น | |
| 3 | ความต้านทานของฉนวน | ≥100MΩ (500VDC) | |
| 4 |
อิเล็กทริก แรงดันไฟฟ้า |
ระหว่าง ขั้วต่อที่ไม่เชื่อมต่อ |
1000V/0.5mA/60S |
|
ระหว่างอาคารผู้โดยสาร และโครงโลหะ |
3000V/0.5mA/60S | ||
| 5 | ชีวิตไฟฟ้า | ≥50,000 รอบ | |
| 6 | ชีวิตเครื่องกล | ≥1000000รอบ | |
| 7 | อุณหภูมิในการทำงาน | -25~125℃ | |
| 8 | ความถี่ในการทำงาน |
ไฟฟ้า :15 รอบ เครื่องกล: 60 รอบ |
|
| 9 | หลักฐานการสั่นสะเทือน |
ความถี่ในการสั่นสะเทือน : 10~55HZ; ความกว้าง: 1.5 มม.; สามทิศทาง :1H |
|
| 10 |
ความสามารถในการบัดกรี: ส่วนที่แช่ไว้มากกว่า 80% จะต้องหุ้มด้วยโลหะบัดกรี |
อุณหภูมิการบัดกรี: 235 ± 5 ℃ เวลาในการแช่: 2 ~ 3S |
|
| 11 | บัดกรีต้านทานความร้อน |
การบัดกรีแบบจุ่ม: 260 ± 5 ℃ 5 ± 1 S การบัดกรีด้วยตนเอง: 300 ± 5 ℃ 2 ~ 3S |
|
| 12 | การอนุมัติด้านความปลอดภัย | UL、CSA、VDE、ENEC、TUV、CE、KC、CQC | |
| 13 | เงื่อนไขการทดสอบ |
อุณหภูมิแวดล้อม: 20 ± 5 ℃ ความชื้นสัมพัทธ์: 65 ± 5% RH ความดันอากาศ :86~106KPa |
|
คุณสมบัติและการใช้งานไมโครสวิตช์
รายละเอียดไมโครสวิตช์
