ในฐานะผลิตภัณฑ์ตัวแทนของโรงงาน Yueqing Tongda Wire Electric ที่ผสานรวมมาตรฐานและการปรับแต่งหลักเข้าด้วยกัน ไมโครสวิตช์สำหรับเครื่องคั้นน้ำผลไม้ เครื่องดูดฝุ่น เครื่องพิมพ์และอุปกรณ์อื่นๆ ได้รับการออกแบบด้วยหลักการสำคัญของ "ความเสถียร ความน่าเชื่อถือ และความเข้ากันได้ของฉาก" โดยผสมผสานความเชี่ยวชาญด้านการผลิตสวิตช์ของบริษัทมาเป็นเวลา 35 ปี ซึ่งช่วยให้เกิดการปรับปรุงประสิทธิภาพทางไฟฟ้า ระดับการป้องกัน และประสบการณ์ผู้ใช้ให้เกิดประโยชน์สูงสุด สวิตช์นี้ใช้กันอย่างแพร่หลายในสถานการณ์ต่างๆ เช่น การจ่ายไฟบ้านอัจฉริยะ อุปกรณ์เสริมทางอุตสาหกรรม และเครื่องมือทางการแพทย์ขนาดเล็ก ทำให้สวิตช์เป็นส่วนประกอบควบคุมวงจรที่ต้องการซึ่งสร้างสมดุลระหว่างความเป็นสากลกับศักยภาพในการปรับแต่ง
ไมโครสวิตช์การแนะนำ
ต่อไปนี้เป็นขั้นตอนการผลิตที่สำคัญที่ผู้ซื้อต้องเข้าใจเพื่อประเมินคุณภาพผลิตภัณฑ์:
1. การผลิตชิ้นส่วน: หน้าสัมผัสและสปริงโลหะที่กลึงอย่างแม่นยำ ตัวเครื่องทนทาน (วัสดุพลาสติก/โลหะ)
2. การประกอบ: การประกอบสปริง หน้าสัมผัส และแอคชูเอเตอร์อย่างแม่นยำ เพื่อหลีกเลี่ยงผลกระทบต่อประสิทธิภาพการทำงาน
3. การทดสอบ: การทดสอบที่เข้มงวด (การทดสอบกดหลายพันครั้ง การทดสอบความต่อเนื่องทางไฟฟ้า) เพื่อให้มั่นใจในความน่าเชื่อถือ
4. บรรจุภัณฑ์: บรรจุภัณฑ์ป้องกันการขนส่งง่ายมีฉลากระบุข้อกำหนดที่ชัดเจน
ไมโครสวิตช์แอปพลิเคชัน
ไมโครสวิตช์มีการใช้กันอย่างแพร่หลายและเชื่อถือได้ในด้านประสิทธิภาพ โดยส่วนใหญ่จะใช้ใน:
- เครื่องใช้ในครัวเรือน: ไฟตู้เย็น ตัวล็อคประตูเตาอบไมโครเวฟ สวิตช์ฝาเครื่องซักผ้า และเครื่องจับเวลาเครื่องปิ้งขนมปัง
- อุปกรณ์อุตสาหกรรม: รุ่นงานหนักเหมาะสำหรับสายพานลำเลียง เครื่องจักร และแผงควบคุม (กันฝุ่นและกันความชื้น)
- ด้านยานยนต์: ที่ปัดน้ำฝน, ไฟแสดงการเปิดแง้มประตู — สามารถทนต่อการสั่นสะเทือนและอุณหภูมิที่สูงมากได้
- อุปกรณ์อิเล็กทรอนิกส์: สวิตช์ขนาดเล็กสำหรับรีโมทคอนโทรลและตัวควบคุมเกม (ตอบสนองและใช้งานได้ยาวนาน)
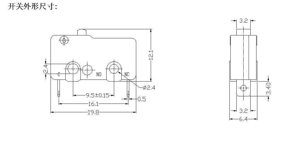
ไมโครสวิตช์ ข้อมูลจำเพาะ
| สลับลักษณะทางเทคนิค: | |||
| รายการ | พารามิเตอร์ทางเทคนิค | ค่า | |
| 1 | พิกัดไฟฟ้า | 5(2)A 125V/250VAC 10(3)125V/250VAC | |
| 2 | ต้านทานการติดต่อ | ≤50mΩ ค่าเริ่มต้น | |
| 3 | ความต้านทานของฉนวน | ≥100MΩ (500VDC) | |
| 4 |
อิเล็กทริก แรงดันไฟฟ้า |
ระหว่าง ขั้วต่อที่ไม่เชื่อมต่อ |
500V/0.5mA/60S |
| ระหว่างอาคารผู้โดยสาร และโครงโลหะ |
1500V/0.5mA/60S | ||
| 5 | ชีวิตไฟฟ้า | ≥10,000 รอบ | |
| 6 | ชีวิตเครื่องกล | ≥100,000 รอบ | |
| 7 | อุณหภูมิในการทำงาน | -25~125℃ | |
| 8 | ความถี่ในการทำงาน | ไฟฟ้า :15 รอบ เครื่องกล: 60 รอบ |
|
| 9 | หลักฐานการสั่นสะเทือน | ความถี่การสั่นสะเทือน: 10 ~ 55HZ; ความกว้าง: 1.5 มม.; สามทิศทาง :1H |
|
| 10 | ความสามารถในการบัดกรี: ส่วนที่แช่ไว้มากกว่า 80% จะต้องหุ้มด้วยโลหะบัดกรี |
อุณหภูมิการบัดกรี: 235 ± 5 ℃ เวลาในการแช่: 2 ~ 3S |
|
| 11 | บัดกรีต้านทานความร้อน | การบัดกรีแบบจุ่ม: 260 ± 5 ℃ 5 ± 1 S การบัดกรีด้วยตนเอง: 300 ± 5 ℃ 2 ~ 3S |
|
| 12 | การอนุมัติด้านความปลอดภัย | UL、CSA、VDE、ENEC、CE | |
| 13 | เงื่อนไขการทดสอบ | อุณหภูมิแวดล้อม: 20 ± 5 ℃ ความชื้นสัมพัทธ์: 65 ± 5% RH ความดันอากาศ : 86~106KPa |
|
ตงดาไวร์อิเล็คทริค สวิตช์ไฟแบบอินไลน์ Micro USB รายละเอียด


