เนื่องจากเป็นโมเดลมาตรฐานของซีรีส์ไมโครสวิตช์ของ Yueqing Tongda Wire Electric Factory ไมโครสวิตช์กระแสไฟ 16A 250V อุณหภูมิสูง HK-14 จึงมี "ความไวสูง อายุการใช้งานยาวนานเป็นพิเศษ และความสามารถในการปรับตัวได้หลายสถานการณ์" เป็นข้อได้เปรียบหลัก ด้วยการบูรณาการความเชี่ยวชาญด้านการผลิตสวิตช์ที่สั่งสมมายาวนาน 35 ปีของบริษัท ทำให้สวิตช์กลายเป็นองค์ประกอบควบคุมหลักในเครื่องใช้ไฟฟ้าในครัวเรือน อิเล็กทรอนิกส์ยานยนต์ ระบบอัตโนมัติทางอุตสาหกรรม และสาขาอื่นๆ เนื่องจากมีช่องว่างการสัมผัสน้อยที่สุดและกลไกการทำงานที่รวดเร็ว ประสิทธิภาพและความน่าเชื่อถือได้รับการรับรองโดยองค์กรที่เชื่อถือได้หลายแห่งทั่วโลก เพื่อรักษาตำแหน่งหลักในตลาดเฉพาะกลุ่ม
บทนำไมโครสวิตช์
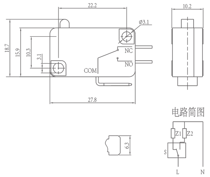
ซีรี่ส์ HK-14 มีตัวเลือกการปรับแต่งที่ยืดหยุ่นสูงเพื่อตอบสนองความต้องการของการใช้งานที่แตกต่าง แรงปฏิบัติการสามารถปรับแต่งได้ (น้อยกว่า 5.0N ในสถานะไร้คาน ปกติ 30±15gf) โดยมีระยะชักในการทำงาน 0.6 ถึง 1.5 มม. รองรับแรงกระตุ้นและการกระจัดที่หลากหลาย รูปแบบของคันโยกสามารถปรับแต่งได้ รวมถึงคันโยกแบบตรง คันโยกแบบโค้ง และคันโยกแบบโรลเลอร์ เพื่อให้เหมาะกับโครงสร้างการส่งกำลังแบบกลไกต่างๆ ประเภทหน้าสัมผัสประกอบด้วย SPDT (1NO+1NC), NO และ NC ครอบคลุมทุกช่วง เพื่อตอบสนองความต้องการของการควบคุมเดี่ยว อินเตอร์ล็อค และความต้องการในการออกแบบวงจรอื่นๆ
แนวทางการติดตั้งและการใช้งาน
เมื่อติดตั้ง ต้องติดตั้งสวิตช์บนพื้นผิวเรียบและยึดด้วยแหวนรองแบบเรียบหรือแหวนรองสปริง เพื่อป้องกันการทำงานผิดพลาดหรือความเสียหายของตัวเครื่องที่เกิดจากพื้นผิวไม่เรียบ เลือกรุ่นตามสภาพแวดล้อม: สำหรับสภาวะชื้นหรือมีฝุ่น ขอแนะนำให้ใช้รุ่นแบบกำหนดเองที่ปิดสนิทเพื่อเพิ่มการป้องกัน อย่าทาน้ำมันหล่อลื่นที่ปุ่มหรือแอคชูเอเตอร์ เพื่อป้องกันหน้าสัมผัสติด การทำงานขัดข้อง หรือแม้แต่เหนื่อยหน่าย ในระหว่างการจัดเก็บ ให้เก็บผลิตภัณฑ์ไว้ในที่แห้งและมีอากาศถ่ายเทสะดวก ป้องกันฝนหรือหิมะ และหลีกเลี่ยงอุณหภูมิและความชื้นสูงที่อาจทำให้ส่วนประกอบเสื่อมสภาพ เพื่อให้มั่นใจว่าผลิตภัณฑ์ยังคงประสิทธิภาพการทำงานดังเดิม
พารามิเตอร์ไมโครสวิตช์ (ข้อมูลจำเพาะ)
| สลับลักษณะทางเทคนิค: | |||
| รายการ | พารามิเตอร์ทางเทคนิค | ค่า | |
| 1 | พิกัดไฟฟ้า | 5(2)ก/10A/16(3)ก/21(8)ก 250VAC | |
| 2 | ต้านทานการติดต่อ | ≤30mΩค่าเริ่มต้น | |
| 3 | ความต้านทานของฉนวน | ≥100MΩ (500VDC) | |
| 4 |
อิเล็กทริก แรงดันไฟฟ้า |
ระหว่าง ขั้วต่อที่ไม่เชื่อมต่อ |
1000V/0.5mA/60S |
|
ระหว่างอาคารผู้โดยสาร และโครงโลหะ |
3000V/0.5mA/60S | ||
| 5 | ชีวิตไฟฟ้า | ≥50,000 รอบ | |
| 6 | ชีวิตเครื่องกล | ≥1000000รอบ | |
| 7 | อุณหภูมิในการทำงาน | -25~125℃ | |
| 8 | ความถี่ในการทำงาน |
ไฟฟ้า :15 รอบ เครื่องกล: 60 รอบ |
|
| 9 | หลักฐานการสั่นสะเทือน |
ความถี่ในการสั่นสะเทือน : 10~55HZ; ความกว้าง: 1.5 มม.; สามทิศทาง :1H |
|
| 10 |
ความสามารถในการบัดกรี: ส่วนที่แช่ไว้มากกว่า 80% จะต้องหุ้มด้วยโลหะบัดกรี |
อุณหภูมิการบัดกรี: 235 ± 5 ℃ เวลาในการแช่: 2 ~ 3S |
|
| 11 | บัดกรีต้านทานความร้อน |
การบัดกรีแบบจุ่ม: 260 ± 5 ℃ 5 ± 1 S การบัดกรีด้วยตนเอง: 300 ± 5 ℃ 2 ~ 3S |
|
| 12 | การอนุมัติด้านความปลอดภัย | UL、CSA、VDE、ENEC、TUV、CE、KC、CQC | |
| 13 | เงื่อนไขการทดสอบ |
อุณหภูมิแวดล้อม: 20 ± 5 ℃ ความชื้นสัมพัทธ์: 65 ± 5% RH ความดันอากาศ :86~106KPa |
|
คุณสมบัติและการใช้งานไมโครสวิตช์
รายละเอียดไมโครสวิตช์
