ในฐานะผลิตภัณฑ์ตัวแทนของโรงไฟฟ้า Yueqing Tongda Cable ที่ผสานรวมมาตรฐานและการปรับแต่งหลักเข้าด้วยกัน สวิตช์ไมโครสวิตช์ของเครื่องทำน้ำร้อนแก๊สและเตาแก๊สจึงได้รับการออกแบบโดยใช้หลักการสำคัญคือ "ความเสถียร ความน่าเชื่อถือ และความเข้ากันได้ของฉาก" โดยผสมผสานความเชี่ยวชาญด้านการผลิตสวิตช์ของบริษัทมาเป็นเวลา 35 ปี ซึ่งช่วยให้เกิดการปรับปรุงประสิทธิภาพทางไฟฟ้า ระดับการป้องกัน และประสบการณ์ผู้ใช้ให้เกิดประโยชน์สูงสุด สวิตช์นี้ใช้กันอย่างแพร่หลายในสถานการณ์ต่างๆ เช่น การจ่ายไฟบ้านอัจฉริยะ อุปกรณ์เสริมทางอุตสาหกรรม และเครื่องมือทางการแพทย์ขนาดเล็ก ทำให้สวิตช์เป็นส่วนประกอบควบคุมวงจรที่ต้องการซึ่งสร้างสมดุลระหว่างความเป็นสากลกับศักยภาพในการปรับแต่ง
ไมโครสวิตช์การแนะนำ
สวิตช์ HK-04G-L มุ่งเน้นไปที่ข้อกำหนดในทางปฏิบัติสำหรับพารามิเตอร์หลัก ซึ่งเป็นไปตามมาตรฐานการควบคุมขั้นพื้นฐานสำหรับสถานการณ์ต่างๆ หน้าสัมผัสทำจากโลหะผสมเงิน-ดีบุกและผ่านกระบวนการเชื่อมที่มีความแม่นยำ โดยมีความต้านทานหน้าสัมผัสเริ่มต้นที่ ≤8mΩ สามารถจ่ายกระแสไฟ AC 10A-16A ได้อย่างน่าเชื่อถือ (แรงดันไฟฟ้า 250V AC) เหมาะสำหรับความต้องการพลังงานในครัวเรือนส่วนใหญ่และอุปกรณ์อุตสาหกรรมขนาดเล็ก ป้องกันปัญหาความร้อนสูงเกินไปหรือการกัดเซาะที่เกิดจากกระแสไฟเกินได้อย่างมีประสิทธิภาพ
ประสิทธิภาพของทริกเกอร์และอายุการใช้งานมีความน่าเชื่อถือเท่าเทียมกัน: ใช้โครงสร้างทริกเกอร์แบบโยก โดยมีระยะการกด 1.3-1.6 มม. และแรงปฏิบัติการควบคุมภายใน 1.5-3N เสียงตอบรับในการเปิดใช้งานมีความชัดเจนและราบรื่น ทำให้การใช้งานในแต่ละวันไม่น่าจะ "กดไม่ตอบสนอง" อายุการใช้งานเชิงกลสูงถึง 80,000 รอบการกด และอายุการใช้งานทางไฟฟ้าเกิน 50,000 รอบ ในอุปกรณ์ที่ใช้งานความถี่สูง เช่น ตู้เย็น พัดลมขนาดเล็ก และเครื่องพิมพ์เชิงพาณิชย์ สามารถทำงานได้อย่างมีเสถียรภาพเป็นเวลา 3-5 ปี
ความสามารถในการปรับตัวด้านสิ่งแวดล้อมเป็นไปตามข้อกำหนดสถานการณ์ทั่วไป: ผลิตภัณฑ์ทำงานภายในช่วงอุณหภูมิ -30°C ถึง 80°C สามารถจัดการกับอุณหภูมิต่ำในฤดูหนาวทางตอนเหนือและสภาวะการกระจายความร้อนในฤดูร้อน ความต้านทานของฉนวนอยู่ที่ ≥50MΩ (500VDC) และแรงดันไฟฟ้าของเทอร์มินัลทนได้ถึง 800V AC ตรงตามมาตรฐานความปลอดภัยทางไฟฟ้าสำหรับใช้ในครัวเรือนและเชิงพาณิชย์ นอกจากนี้ ตัวเครื่องยังทำจากวัสดุ ABS ทนไฟ (สอดคล้องตามมาตรฐาน UL94 V-1) ซึ่งช่วยลดความเสี่ยงด้านความปลอดภัยที่เกิดจากการลัดวงจรของวงจร
ไมโครสวิตช์แอปพลิเคชัน
ในสถานการณ์บ้านอัจฉริยะและครัวเรือน HK-04G-L ซึ่งมีขนาดกะทัดรัด (ประมาณ 20×15×10 มม. ยาว×กว้าง×สูง) สามารถรวมเข้ากับกล่องกระจายสัญญาณอัจฉริยะ เต้ารับติดผนัง และแผงควบคุมเครื่องใช้ไฟฟ้าขนาดเล็กได้อย่างง่ายดาย ปัจจุบันได้กลายเป็นส่วนประกอบที่ใช้โดยแบรนด์บ้านอัจฉริยะในประเทศหลายแบรนด์สำหรับฟังก์ชันต่างๆ เช่น การควบคุมแสงสว่างและการสลับพลังงานของอุปกรณ์ แบรนด์หนึ่งรายงานว่าอัตราความล้มเหลวของผลิตภัณฑ์ที่ติดตั้งนั้นต่ำกว่าสวิตช์แบบเดิมถึง 40%
ในสถานการณ์อุตสาหกรรมและเชิงพาณิชย์ขนาดเล็ก ผลิตภัณฑ์นี้เหมาะสำหรับการควบคุมพลังงานของอุปกรณ์สายพานลำเลียงขนาดเล็ก เครื่องชงกาแฟเชิงพาณิชย์ เครื่องพิมพ์ในสำนักงาน และอุปกรณ์อื่นๆ ด้วยการเพิ่มประสิทธิภาพโครงสร้างการเชื่อมต่อเทอร์มินอล จึงรองรับการติดตั้งสายไฟที่รวดเร็ว เพิ่มประสิทธิภาพในการประกอบอุปกรณ์ ก่อนหน้านี้ เวอร์ชันที่ปรับแต่งสำหรับผู้ผลิตเครื่องใช้ไฟฟ้าเชิงพาณิชย์ โดยการปรับระยะห่างระหว่างขั้วต่อ ช่วยให้ตรงตามข้อกำหนดการเดินสายภายในแบบกะทัดรัดของอุปกรณ์ ซึ่งช่วยปรับปรุงประสิทธิภาพการติดตั้งได้ถึง 25%
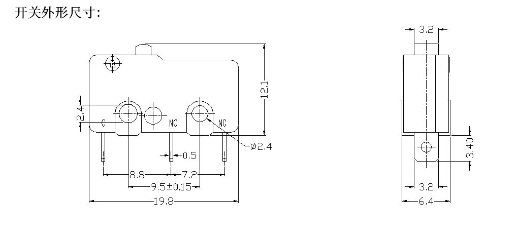
ไมโครสวิตช์ ข้อมูลจำเพาะ
| สลับลักษณะทางเทคนิค: | |||
| รายการ | พารามิเตอร์ทางเทคนิค | ค่า | |
| 1 | พิกัดไฟฟ้า | 5(2)A 125V/250VAC 10(3)125V/250VAC | |
| 2 | ต้านทานการติดต่อ | ≤50mΩ ค่าเริ่มต้น | |
| 3 | ความต้านทานของฉนวน | ≥100MΩ (500VDC) | |
| 4 |
อิเล็กทริก แรงดันไฟฟ้า |
ระหว่าง ขั้วต่อที่ไม่เชื่อมต่อ |
500V/0.5mA/60S |
| ระหว่างอาคารผู้โดยสาร และโครงโลหะ |
1500V/0.5mA/60S | ||
| 5 | ชีวิตไฟฟ้า | ≥10,000 รอบ | |
| 6 | ชีวิตเครื่องกล | ≥100,000 รอบ | |
| 7 | อุณหภูมิในการทำงาน | -25~125℃ | |
| 8 | ความถี่ในการทำงาน | ไฟฟ้า :15 รอบ เครื่องกล: 60 รอบ |
|
| 9 | หลักฐานการสั่นสะเทือน | ความถี่การสั่นสะเทือน: 10 ~ 55HZ; ความกว้าง: 1.5 มม.; สามทิศทาง :1H |
|
| 10 | ความสามารถในการบัดกรี: ส่วนที่แช่ไว้มากกว่า 80% จะต้องหุ้มด้วยโลหะบัดกรี |
อุณหภูมิการบัดกรี: 235 ± 5 ℃ เวลาในการแช่: 2 ~ 3S |
|
| 11 | บัดกรีต้านทานความร้อน | การบัดกรีแบบจุ่ม: 260 ± 5 ℃ 5 ± 1 S การบัดกรีด้วยตนเอง: 300 ± 5 ℃ 2 ~ 3S |
|
| 12 | การอนุมัติด้านความปลอดภัย | UL、CSA、VDE、ENEC、CE | |
| 13 | เงื่อนไขการทดสอบ | อุณหภูมิแวดล้อม: 20 ± 5 ℃ ความชื้นสัมพัทธ์: 65 ± 5% RH ความดันอากาศ : 86~106KPa |
|
ตงดาไวร์อิเล็คทริค สวิตช์ไฟแบบอินไลน์ Micro USB รายละเอียด

